Produits
Minuterie d'interrupteur d'éclairage automatique
  • Minuterie d'interrupteur d'éclairage automatiqueMinuterie d'interrupteur d'éclairage automatique
  • Minuterie d'interrupteur d'éclairage automatiqueMinuterie d'interrupteur d'éclairage automatique
  • Minuterie d'interrupteur d'éclairage automatiqueMinuterie d'interrupteur d'éclairage automatique
  • Minuterie d'interrupteur d'éclairage automatiqueMinuterie d'interrupteur d'éclairage automatique

Minuterie d'interrupteur d'éclairage automatique

Minuterie d'interrupteur d'éclairage automatique de haute qualité XUCKY, une minuterie d'escalier ALST8 est disponible en rail DIN. Il fonctionne de 1 minute à 7 minutes et est équipé d'une protection électronique contre les surcharges.

Minuterie d'interrupteur d'éclairage automatique de haute qualité XUCKY, une minuterie d'escalier ALST8 est disponible en rail DIN. Il fonctionne de 1 minute à 7 minutes et est équipé d'une protection électronique contre les surcharges.

● Interrupteur à bascule pour éclairage permanent allumé

● Aucune consommation de courant en circuit fermé

● Commande par interrupteur poussoir externe

II selon EN 60 730-1

● Faible sensibilité aux interférences

● Mécanique de précision et donc période de commutation exacte

● Réglage de l'heure le plus simple possible et lecture directe du temps de retard sur l'échelle absolue


Description

Le minuteur automatique de haute qualité XUCKY est destiné à être utilisé dans un boîtier de commutation électrique pour éteindre un circuit particulier avec un compte à rebours de 1 minute à 7 minutes. Il peut également fonctionner comme un interrupteur marche/arrêt normal. L'interrupteur à compte à rebours permet la connexion avec de nombreux interrupteurs (avec ou sans interrupteur au néon) à différents endroits pour un contrôle plus pratique.


Sélection de produits

Tension

230 Vca

Fréquence

50Hz

Capacité de commutation

16A


Charge maximale recommandée (10 000 opérations)

Charge de lampe à incandescence/halogène 230V

Circuit avance-retard de charge de lampe fluorescente (conventionnel)

Charge de lampe fluorescente (conventionnelle) à correction parallèle

Lampes à économie d'énergie

Lampe LED < 2 W

Lampe LED 2–8 W

Lampe LED > 8 W

2300 W

2300 VA

1300 VA 70 μF

150 W

30 W

300 W

300 W


Données techniques

Charge de lampe fluorescente (ballast électronique)

600 W

Type de connexion

Période de compte à rebours

Commutation secondaire

Après les années 30

Matériau du boîtier et de l'isolation

Thermoplastique auto-extinguible résistant aux hautes températures

Consommation en veille

0 W

Type de protection

IP20

Classe de protection

II selon EN 60 730-1

Température ambiante autorisée

-10 ~ +50 °C (sans givrage)

Approbation des tests

CE


Caractéristiques

Courant nominal 230 V ~ 50 Hz
Charge ohmique 16A, maximum 3680W
Charge inductive 230 V~, 4 A /cosΦ0,4
Période de compte à rebours 1 minute à 7 minutes
Précision 0 à 1 minute : ±10 secondes
0 à 7 minutes : ±18 secondes
Indice IP IP20
Température de travail -10°C à 55°C


Schémas de câblage


Lampe LED > 8 W

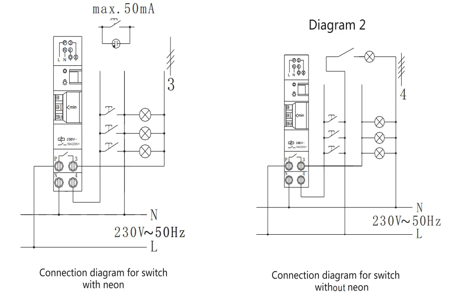
1. Conçu pour une installation facile dans le boîtier de commutation électrique, accrochez simplement la minuterie sur la balustrade et appuyez jusqu'à ce que vous entendiez un « clic ». Pour le retirer, abaissez le loquet situé au bas de la minuterie pour le libérer.

2.La minuterie permet la connexion avec un interrupteur (avec ou sans néon).

a.Connectez les fils comme indiqué dans le schéma 1 pour un interrupteur avec néon et dans le schéma 2 pour un interrupteur sans néon.

B. Tournez l'interrupteur en position, toujours sous tension.

c.Pour les fonctions de compte à rebours, tournez le bouton de temps sur la période de compte à rebours souhaitée (de 1 minute à 7 minutes).

a.Connectez les fils comme indiqué dans le schéma 1 pour un interrupteur avec néon et dans le schéma 2 pour un interrupteur sans néon.

En appuyant sur l'interrupteur connecté (avec ou sans interrupteur au néon). Tourner le bouton de temps sur une période de compte à rebours différente.

f. Le courant total du néon ne doit pas dépasser 50 mA. Si un néon transporte un courant de 1 mA, vous ne devez pas connecter plus de 50 interrupteurs au néon au minuteur du compte à rebours.

g.Pour les interrupteurs sans néon, vous pouvez en connecter autant que nécessaire à différents endroits pour des commandes faciles.

3. Lorsque la minuterie est en mode compte à rebours, il n'y aura pas d'interface par :

En appuyant sur l'interrupteur connecté (avec ou sans interrupteur au néon). Tourner le bouton de temps sur une période de compte à rebours différente.



Balises actives: Minuterie d'interrupteur d'éclairage automatique, Chine, fabricant, fournisseur, usine
envoyer une demande
Informations de contact

Réclamez votre devis gratuit et votre échantillon de solution sur mesure

Soumettez une demande aujourd’hui accompagnée d’un devis compétitif adapté à vos spécifications.

X
Nous utilisons des cookies pour vous offrir une meilleure expérience de navigation, analyser le trafic du site et personnaliser le contenu. En utilisant ce site, vous acceptez notre utilisation des cookies. politique de confidentialité
Rejeter Accepter